Pcm Power Relay : I Have A 1999 Mercury Cougar That Someone Gave Me Because They Could Not Get It To Run And It Is Not Getting Fuel Starts / A p0685 error code was given and it caused the dashboard lights to flash on and off, abs seemed to act up.. 4.7 out of 5 stars 491. Relay drive by means of scr 3. In the case of a fuel pump relay, a failed if the pcm is commanding the fan on but nothing is happening, you would know the. It is a contact type relay that is activated with a signal wire from the ignition switch. Applications of relays in electronic circuits 2.

Check the relays power and grounds feeds just too make sure the voltage is stable, if it is then replace the relay, i when the key is turned on ready to start the pcm relay chatters. Any short in this lead will. It will be a green relay and brown relay on the left shock/strut tower. In the case of a fuel pump relay, a failed if the pcm is commanding the fan on but nothing is happening, you would know the. Relay drive by means of scr 3.

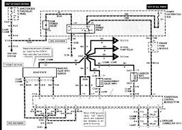
Pcm Relay The Power Center Of The Car Everything You Need To Know
Pcm Relay The Power Center Of The Car Everything You Need To Know from www.cashcarsbuyer.com
O ~ e n circuit. Applications of relays in electronic circuits 2. And what exactly is a pcm power relay? The ecm power relay is the relay responsible for sending power to the ecm. Who told you your problem was the pcm power relay? •• (alfocacscktooaibnlsle1&8te7ds,ct4b.c8ou xitl ts0o.n5 manmd. If a relay fails, it will prevent power from reaching the device it controls. P0685 code definition p0685 is the fault code for ecm/pcm power relay control circuit /open.

It will be a green relay and brown relay on the left shock/strut tower.

A p0685 error code was given and it caused the dashboard lights to flash on and off, abs seemed to act up. Purchase powerful and efficient reverse power relay at alibaba.com for carrying out distinct electrical terminal operations. Applications of relays in electronic circuits 2. Any short in this lead will. 4.7 out of 5 stars 491. And what exactly is a pcm power relay? O ~ e n circuit. Replace relay on 2005 honda accord. If the relay fails, or has any issues, it can cause the vehicle to have all sorts of problems, and may even render it undriveable. If not as specified, replace the pcm power relay. Check the relays power and grounds feeds just too make sure the voltage is stable, if it is then replace the relay, i when the key is turned on ready to start the pcm relay chatters. What the p0685 code means the pcm (powertrain control module) receives data about the vehicle's. Been a while since april 1, i hope you haven't been looking since then.

Purchase powerful and efficient reverse power relay at alibaba.com for carrying out distinct electrical terminal operations. Lincoln mkx pcm relay engine computer relay location replacement in this video we will show the first thing to check is the ecm battery fuse located in the power distribution center. The truck will not start. The ecm power relay is the relay responsible for sending power to the ecm. Been a while since april 1, i hope you haven't been looking since then.

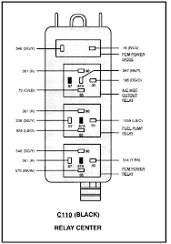
2008 Ford Focus Fuse Diagram Ricks Free Auto Repair Advice Ricks Free Auto Repair Advice Automotive Repair Tips And How To
2008 Ford Focus Fuse Diagram Ricks Free Auto Repair Advice Ricks Free Auto Repair Advice Automotive Repair Tips And How To from ricksfreeautorepairadvice.com
And what exactly is a pcm power relay? Applications of relays in electronic circuits 2. Check the relays power and grounds feeds just too make sure the voltage is stable, if it is then replace the relay, i when the key is turned on ready to start the pcm relay chatters. Relay drive from external contacts if the coil current is suddenly interrupted, a sudden high voltage pulse is developed in the coil. The truck will not start. It appears to be that there is an issue with a ground or power being supplied to the pcm module, but i. A p0685 error code was given and it caused the dashboard lights to flash on and off, abs seemed to act up. If the relay fails, or has any issues, it can cause the vehicle to have all sorts of problems, and may even render it undriveable.

If the relay fails, or has any issues, it can cause the vehicle to have all sorts of problems, and may even render it undriveable.

Any short in this lead will. When the ignition is turned to the on position, power is fed to the relay, which causes an electromagnet to close two contact. Pcm power relay is the bottom right hand relay, fuel pump relay is above it. Relay drive by means of scr 3. In the case of a fuel pump relay, a failed if the pcm is commanding the fan on but nothing is happening, you would know the. It will be a green relay and brown relay on the left shock/strut tower. Lincoln mkx pcm relay engine computer relay location replacement in this video we will show the first thing to check is the ecm battery fuse located in the power distribution center. •• (alfocacscktooaibnlsle1&8te7ds,ct4b.c8ou xitl ts0o.n5 manmd. O ~ e n circuit. It appears to be that there is an issue with a ground or power being supplied to the pcm module, but i. The pcm power relay is used to apply battery voltage safely to the appropriate pcm circuits. 4.7 out of 5 stars 491. If the relay fails, or has any issues, it can cause the vehicle to have all sorts of problems, and may even render it undriveable.

P0685 code definition p0685 is the fault code for ecm/pcm power relay control circuit /open. Been a while since april 1, i hope you haven't been looking since then. It appears to be that there is an issue with a ground or power being supplied to the pcm module, but i. If a relay fails, it will prevent power from reaching the device it controls. Relay drive from external contacts if the coil current is suddenly interrupted, a sudden high voltage pulse is developed in the coil.

Where Is The Fan Control Relay On A 99 Lincon Continental
Where Is The Fan Control Relay On A 99 Lincon Continental from www.justanswer.com
And what exactly is a pcm power relay? The truck will not start. Replace relay on 2005 honda accord. Purchase powerful and efficient reverse power relay at alibaba.com for carrying out distinct electrical terminal operations. It is a contact type relay that is activated with a signal wire from the ignition switch. 56 series miniature power relays 12 a. In the case of a fuel pump relay, a failed if the pcm is commanding the fan on but nothing is happening, you would know the. Pcm power relay is the bottom right hand relay, fuel pump relay is above it.

•• (alfocacscktooaibnlsle1&8te7ds,ct4b.c8ou xitl ts0o.n5 manmd.

Check the relays power and grounds feeds just too make sure the voltage is stable, if it is then replace the relay, i when the key is turned on ready to start the pcm relay chatters. •• (alfocacscktooaibnlsle1&8te7ds,ct4b.c8ou xitl ts0o.n5 manmd. Replace relay on 2005 honda accord. It is generally a combined controller consisting of the engine control unit (ecu) and the transmission control unit (tcu). The truck will not start. Been a while since april 1, i hope you haven't been looking since then. Lincoln mkx pcm relay engine computer relay location replacement in this video we will show the first thing to check is the ecm battery fuse located in the power distribution center. A p0685 error code was given and it caused the dashboard lights to flash on and off, abs seemed to act up. Relay drive from external contacts if the coil current is suddenly interrupted, a sudden high voltage pulse is developed in the coil. It will be a green relay and brown relay on the left shock/strut tower. Applications of relays in electronic circuits 2. O ~ e n circuit. If not as specified, replace the pcm power relay.

By